ブランド
製品
ショールーム
お問い合わせ
インフォメーション
販売店
オンラインストア
カタログ現行品
廃盤品
全品番
製品
キッチン水栓
浴室水栓
シャワーシステム
シャワー
洗面水栓
洗面器・手洗器
トイレ
アクセサリー
パーツ
製品アーカイブ(廃番品)
限定在庫品
GROHE SPA
COLOURS COLLECTION
ブックマークリスト
グローエブランド
ブランドバリュー
グローエの歴史
ライフスタイル
GROHEのある暮らし
住まいと暮らしのアイデア
施工事例写真
インフォメーション
お知らせ
プレスリリース
会社概要
グローエジャパン会社概要
グローエAG社(ドイツ)のWebサイト
製品
グローエブランド
インフォメーション
販売店
GROHEのある暮らし
オンラインストア
会社概要
ショールーム
来館予約
お問い合わせ
カタログ
カタログ閲覧
カタログ請求
お問い合わせ
製品やWebサイトに関する
お問い合わせ
FAQ
修理・アフターサービスに
関するご相談
水栓交換工事をお考えの方
プロジェクト物件向け
特注品情報ログイン
LIXIL 関係者
ログイン
HOME
>
製品
>
アトランタ
>
壁埋込バス吐水セット3/4″
ブックマークリスト
ブックマークリストに追加
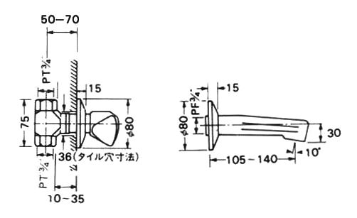
アトランタ:壁埋込バス吐水セット3/4″
こちらの製品は廃番品です
品番:B-120
廃番品
通常商品
製品カテゴリ
壁付
販売期間
1991年4月〜1994年3月
一般地/寒冷地
一般地
配管サイズ
PT 3/4″
スペックシート
スペックシートを表示
各種データ
図面(PDF/JPG)
製品詳細
アトランタ:壁埋込バス吐水セット3/4″
(新27651)
TXハンドル仕様