グローサーモスマートコントロール:サーモスタット1バルブ混合栓 スクエアタイプ 化粧部
スペックシート
各種データ
製品詳細
グローサーモスマートコントロール:サーモスタット1バルブ混合栓 スクエアタイプ 化粧部
■第三者機関認証:JWWA認証品
■カラー:クローム
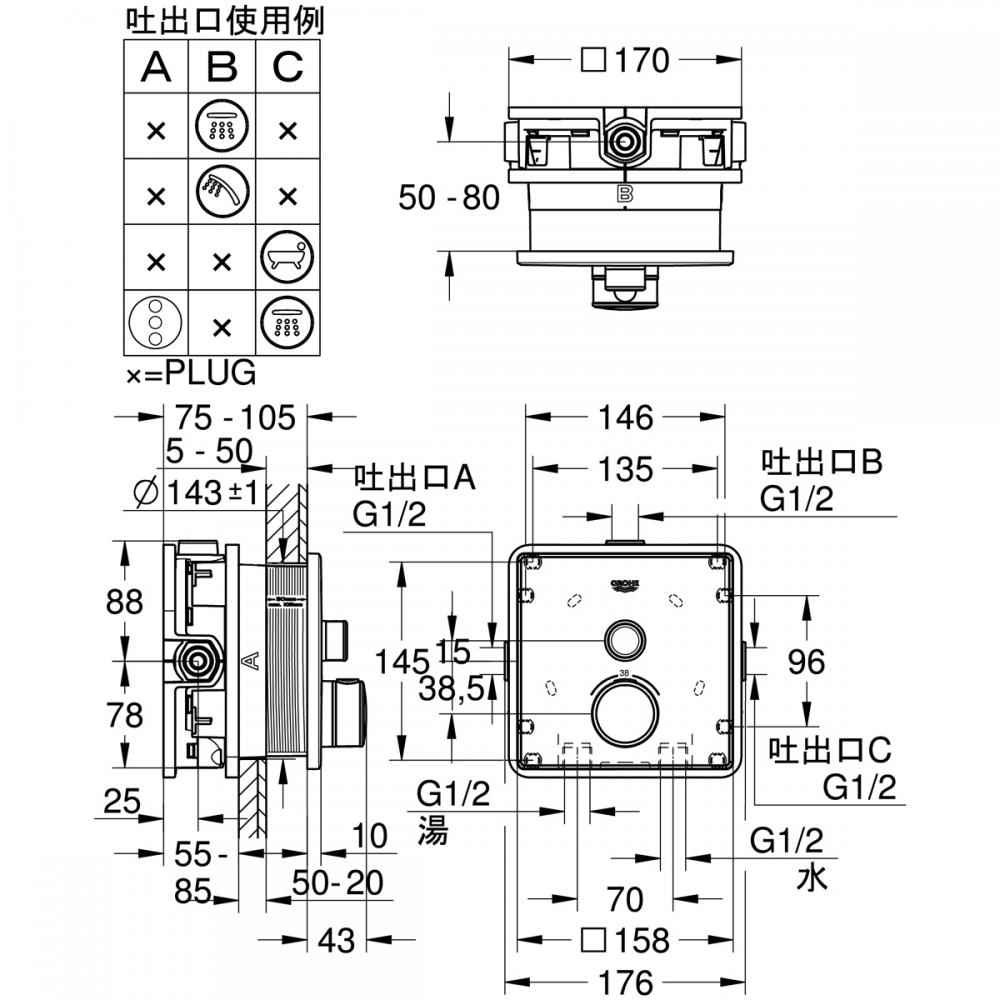
■埋込本体部(3560000J)が別途必要です。
■図面は、化粧部と埋込本体部をセットした図面になっています。
■吐水パターンのボタン表示は、オーバーヘッドシャワー、ハンドシャワー、バスタブマーク等複数同梱されています。吐出口の種類、接続に合わせて取付けてください。





クローム