アリュール:サーモスタットシャワー2方切替埋込混合栓化粧部ブラッシュドハードグラファイト
スペックシート
各種データ
製品詳細
アリュール:サーモスタットシャワー2方切替埋込混合栓化粧部ブラッシュドハードグラファイト
■ブラッシュドハードグラファイト
■表示マーク ハンドシャワー/オーバーヘッドシャワー
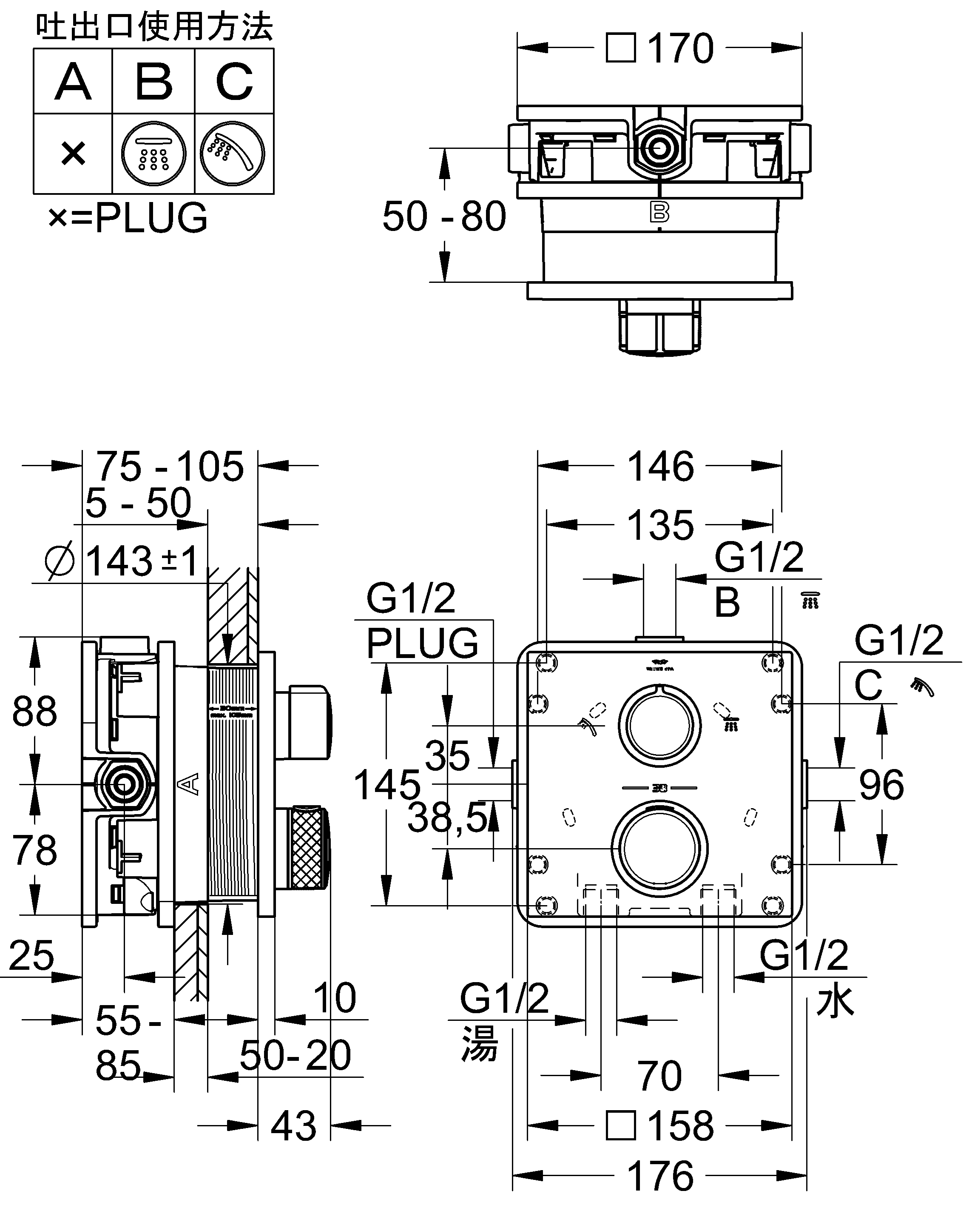
■埋込本体部(3560000J)が別途必要です。



■ブラッシュドハードグラファイト
■表示マーク ハンドシャワー/オーバーヘッドシャワー
■埋込本体部(3560000J)が別途必要です。